所屬分類首頁 - 產品中心 - 標準型振動電機 - 標準型PT-MVE系列
功率等級:0.03-0.2KW
激振力等級:0.3-4KN
防護等級:IP65
絕緣等級:F
工 作 制:SI(連續工作制)
冷卻方法:IC410(自然冷卻)
成功研發出針對不同要求的200多種設備行業專用電機

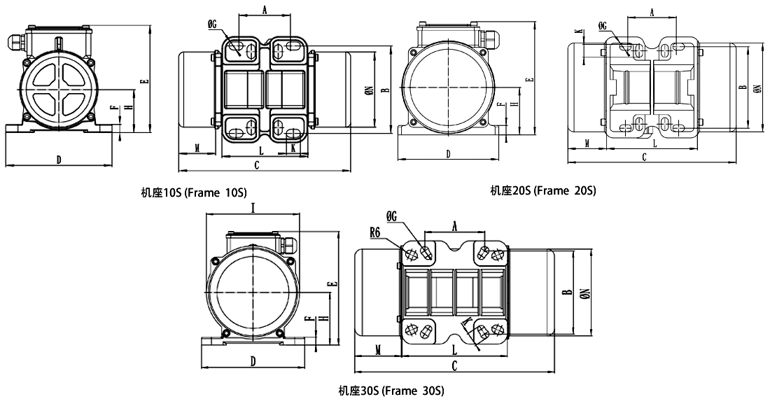
1、欣佳宏標準型PT-MVE不銹鋼振動電機偏心塊易調節,多電壓,功率可選; 2、PT-MVE標準型不銹鋼防水振動電機外殼使用加厚不銹鋼材質外殼,抗腐蝕、耐酸堿;端蓋邊緣加有O型密封圈、全封閉結構設計,優良的防塵防潮功能。 3、PT-MVE欣佳宏標準型(不銹鋼)振動電機使用抗振專用電源線出線防護套、防電纜線長時間振動破壞。使用耐高溫品牌純銅漆包線,全銅繞組,定子真空浸漆,保證絕緣等級。不銹鋼振動電機使用固定澆鑄的接線盒具有良好的防水、絕緣、安全性能。 |
|

欣佳宏標準型PT-MVE不銹鋼振動電機屬于第三代升級款,屬于深圳市欣佳宏科技有限公司的明星振動電機產品,屬于加強防水型振動電機,該系列電機有單相振動電機和三相振動電機兩種參數,此系列振動電機已廣泛用于礦山、冶金、煤炭、電力、建筑、化工、醫療保健、鑄造、食品、噴噴涂設備、篩粉、糧食機械等。欣佳宏標準型PT-MVE不銹鋼振動電機系列以獲得國內外振動電機行業客戶的高度認可;



全球3000多家知名振動機械設備企業專用電機品牌
欣佳宏是國內知名電鍍設備,振動篩專用振動電機生產廠家。
欣佳宏切實履行金牌服務承諾:從售前到售后,我們將不遺余力為您提供整體解決方案和一站式服務
如果您想了解更多振動電機問題及設備型號資料,歡迎在下方留言咨詢。技術經理將在24小時內
回電答疑及報價,欣佳宏全天恭候您的垂詢。
免費提供設備報價、設備型號資料等服務,歡迎您隨時咨詢
我們將隨時給予回復!
專車接送提前預約,專車免費接送您到廠或實地考察
完備售后承諾合同日期發貨,專業指導安裝與培訓