成功研發出針對不同要求的200多種設備行業專用電機

產品特性
欣佳宏VBE振動電機偏心塊易調節,多電壓,功率可選。 欣佳宏VBE出口大型振動馬達采用耐高溫品牌純銅漆包線,全銅繞組,定子真空浸漆,保證絕緣等級。 欣佳宏VBE礦山專用震動電機采用特厚球墨鑄鐵外殼、散熱快、溫升低、耐震。 欣佳宏VBE振動電機機殼為精密鑄件,端蓋邊緣加有o型密封圈、全封閉結構設計,最佳防塵防潮功能。 欣佳宏VBE振動馬達采用抗振專用電源線出線防護套、防電纜線長時間振動破壞。 固定澆鑄的接線盒使VBE振動電機具有較強的防水、絕緣、安全性能。 欣佳宏VBE系列震動電機為出口大型振動電機的代表,上市以來深受國內外客戶的一致好評; | ![]() |
典型應用:欣佳宏VBE系列振動電機作為各類振動機械的激振源,能滿足各類振動機械的工作需要,振動給料機、振動放礦機、振動輸送機、振動篩、振動落砂機、振動光飾處理機、振動干燥機和料倉振動防塞裝置等,欣佳宏VBE系列震動電機廣泛應用于電力、建材、煤炭、礦山、冶金、化工、輕工、鑄造等行業等;特別是作為國內外大型礦山專用振動電機的代表之一; | |

產品參數表
| 3相2極 3Phase 2poles |
![]() |
| 3相4極 3Phase 4poles |
![]() |
| 3相6極 3Phase 6poles |
![]() |
| 3相8極 3Phase 8poles |
![]() |

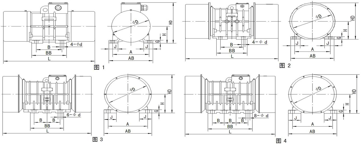
安裝尺寸圖

全球3000多家知名振動機械設備企業專用電機品牌
欣佳宏是國內知名電鍍設備,振動篩專用振動電機生產廠家。
欣佳宏切實履行金牌服務承諾:從售前到售后,我們將不遺余力為您提供整體解決方案和一站式服務
如果您想了解更多振動電機問題及設備型號資料,歡迎在下方留言咨詢。技術經理將在24小時內
回電答疑及報價,欣佳宏全天恭候您的垂詢。
免費提供設備報價、設備型號資料等服務,歡迎您隨時咨詢
我們將隨時給予回復!
專車接送提前預約,專車免費接送您到廠或實地考察
完備售后承諾合同日期發貨,專業指導安裝與培訓